Zahra Mansoori, Msc

  Robotics

Here you can find final project of "Digital Circuit Design" cource when I was a senior bachelore student at Iran University of Science and Technology.

This is called a "Line-follower Robot" which follows a bold dark or black line on a white paper. It can go straight or turn left or right ocassionally.

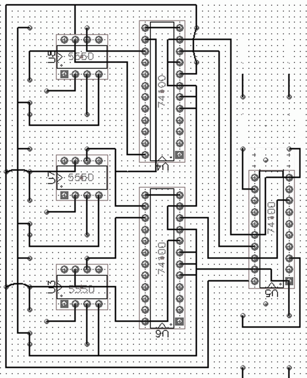
It uses a high Amper Adaptor for moving the wheels and a 9-volt Battery for energizing the circuit. Three light sensors connected indirectly to a Multiplexor (MUX) is used for detecting the line and the turns. MUX is programmed for Digital Function of robot. It gets sensors data as input and send powering signals to two buffers. These buffers connected the High Amper Adaptor to wheels and used as trigger of them to move left, right or straight.

The circuit formerly depicted on a raw copper board using special marker, then drawn into acid to shape the circuit. Report in Farsi


...

Top View


...

Digital Circuit


...

Detailed View